ای غلتک شیار
Cat:ای غلتک شیار
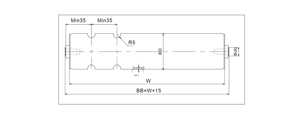
نوع اندازه غلتکی عرض غلتکی ماده غلتکی قطر شفت ...
o غلطک های شیار به طور گسترده ای در برنامه های سبک و با سرعت بالا و با سرعت بالا مانند سیستم های تجارت الکترونیکی و سیستم های مرتب سازی تدارکات استفاده می شوند. آنها مقرون به صرفه ، کم نویز و مناسب برای عملکرد پر سرعت هستند ، به طور معمول در قطر 38 میلی متر و 50 میلی متر با عمق شیار 5-6mm.
چرا تعمیر و نگهداری نوار نقاله غلتکی به طور مستقیم بر طول عمر سیستم تأثیر می گذارد؟ نوار نقاله غلتکی ...
بیشتر بخوانیدچه چیزی یک نوار نقاله غلتکی را واقعاً سنگین می کند؟ نوار نقاله غلتکی سنگین نه با ادعاهای بازاریابی، بلکه با ا...
بیشتر بخوانیدنوار نقاله غلتکی چیست و چرا نوع آن اهمیت دارد؟ نوار نقاله های غلتکی سیستمهای جابهجایی مواد هستند ک...
بیشتر بخوانیدچرا نوار نقاله های غلتکی ستون فقرات حمل و نقل مواد باقی می مانند؟ نوار نقاله های غلتکی با کاهش کار د...
بیشتر بخوانیدآوردن کاردستی به آینده.
شماره 60 ، جاده Zhenhu North ، شهر هودای ، منطقه Binhu , Wuxi 214100 ، چین







