HR-TC220
Cat:نوار نقاله غلتکی
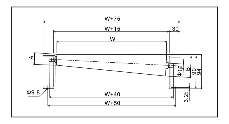
عرض w (میلی متر) 200 A (φ) قطر 31.3 ...
ساختار پیشرفته ، عملکرد با کیفیت بالا ، استفاده آسان ، قابلیت اطمینان و دوام بالا.
همچنین به عنوان نوار نقاله غلتکی منحنی شناخته می شود ، نوار نقاله حرفoller Taper امکان چرخش زاویه های 30 ، 45 ، 60 ، 90 و 180 درجه را فراهم می کند. این ماده به طور عمده برای تغییرات جهت در خطوط نقاله ، با 30 ، 45 و 60 درجه که اغلب برای انشعاب و ادغام نقاله استفاده می شود ، استفاده می شود. این نقاله یک نوع سبک وزن با ظرفیت بار است که به طور کلی بیش از 200 کیلوگرم نیست.
| R | نوع \ | 200 | 300 | 400 | 500 | 600 | 700 | 800 | 900 | 1000 | 1100 | 1200 | زمین غلتکی |
| 220 | HRجدیدTC220 | ○ | جدید | جدید | جدید | جدید | جدید | جدید | جدید | جدید | جدید | جدید | 50،75،100 |
| 320 | HRجدیدTC320 | جدید | ○ | جدید | جدید | جدید | جدید | جدید | جدید | جدید | جدید | جدید | 50،75،100 |
| 500 | HRجدیدTC500a | جدید | ○ | ○ | ○ | ○ | ○ | جدید | جدید | جدید | جدید | جدید | 75 |
| 700 | HRجدیدTC700 | ○ | ○ | ○ | ○ | ○ | جدید | جدید | جدید | جدید | جدید | جدید | 75،100،150 |
| 900 | HRجدیدTCN | جدید | ○ | ○ | ○ | ○ | ○ | ○ | جدید | جدید | جدید | جدید | 75،100،150 |
| HRجدیدTC900 | ○ | ○ | ○ | ○ | ○ | جدید | جدید | جدید | جدید | جدید | جدید | 75،100،150 | |
| HRجدیدTC900a | جدید | ○ | ○ | ○ | ○ | ○ | ○ | جدید | جدید | جدید | جدید | 75،100 | |
| HRجدیدTCL | جدید | جدید | جدید | جدید | جدید | جدید | جدید | ○ | ○ | ○ | ○ | 75،100،150،200 | |
| 1200 | HRجدیدTC1200 | ○ | ○ | ○ | ○ | ○ | جدید | جدید | جدید | جدید | جدید | جدید | 75،100،150 |
| HRجدیدTC1200a | جدید | جدید | - | - | - | - | ○ | ○ | ○ | ○ | ○ | 75.100 | |
| 1600 | HR-TC1600 | - | - | ○ | ○ | ○ | ○ | ○ | - | - | - | - | 75،100،150،200 |

عرض w (میلی متر) 200 A (φ) قطر 31.3 ...
| عرض w (میلی متر) | 200 | |
| A (φ) | قطر | 31.3 |
| ضخامت | 3.5 | |
| B (φ) | قطر | 60.5 |
| ضخامت | 2.0 | |
| بارگیری غلتک (کیلوگرم) | 100 | |

عرض w (میلی متر) 300 A (φ) قطر 31.2 ...
| عرض w (میلی متر) | 300 | |
| A (φ) | قطر | 31.2 |
| ضخامت | 3.6 | |
| B (φ) | قطر | 60.5 |
| ضخامت | 2.1 | |
| بارگیری غلتک (کیلوگرم) | 100 | |

عرض w (میلی متر) 300 400 500 600 700 ...
| عرض w (میلی متر) | 300 | 400 | 500 | 600 | 700 | 800 | |
| A (φ) | قطر | 42.7 | 42.7 | 42.7 | 42.7 | 42.7 | 42.7 |
| ضخامت | 3.2 | 3.2 | 3.1 | 3.1 | 3.1 | 3.1 | |
| B (φ) | قطر | 56.8 | 61.3 | 66.4 | 71.3 | 76.2 | 80.0 |
| ضخامت | 2.1 | 2.1 | 2.1 | 2.1 | 2.0 | 2.0 | |
| بارگیری غلتک (کیلوگرم) | 100 | 90 | 85 | 76 | 59 | 54 | |

عرض w (میلی متر) 900 1000 1100 1200 ...
| عرض w (میلی متر) | 900 | 1000 | 1100 | 1200 | |
| A (φ) | قطر | 42.7 | 42.7 | 42.7 | 42.7 |
| ضخامت | 3.5 | 3.8 | 4.5 | 4.5 | |
| B (φ) | قطر | 86.7 | 91.0 | 95.3 | 100.0 |
| ضخامت | 2.0 | 1.8 | 2.0 | 1.8 | |
| بارگیری غلتک (کیلوگرم) | 110 | 95 | 87 | 80 | |

عرض w (میلی متر) 200 300 400 500 600 ...
| عرض w (میلی متر) | 200 | 300 | 400 | 500 | 600 | |
| A (φ) | قطر | 41.3 | 41.3 | 41.3 | 41.3 | 41.3 |
| ضخامت | 3.3 | 3.3 | 3.3 | 3.3 | 3.3 | |
| B (φ) | قطر | 52.2 | 57.6 | 63.1 | 68.6 | 74.0 |
| ضخامت | 2.5 | 2.4 | 2.4 | 2.3 | 2.3 | |

عرض w (میلی متر) 200 300 400 500 600 ...
| عرض w (میلی متر) | 200 | 300 | 400 | 500 | 600 | |
| A (φ) | قطر | 45.0 | 45.0 | 45.0 | 45.0 | 45.0 |
| ضخامت | 3.2 | 3.2 | 3.2 | 3.2 | 3.2 | |
| B (φ) | قطر | 54.9 | 59.9 | 64.9 | 69.8 | 74.8 |
| ضخامت | 2.2 | 2.2 | 2.1 | 2.1 | 2.0 | |

عرض w (میلی متر) 200 300 400 500 600 ...
| عرض w (میلی متر) | 200 | 300 | 400 | 500 | 600 | |
| A (φ) | قطر | 48.0 | 48.0 | 48.0 | 48.0 | 48.0 |
| ضخامت | 3.1 | 3.1 | 3.1 | 3.1 | 3.1 | |
| B (φ) | قطر | 56.8 | 61.2 | 65.7 | 70.1 | 74.5 |
| ضخامت | 2.3 | 2.3 | 2.2 | 2.2 | 2.1 | |

عرض w (میلی متر) 400 500 600 700 800 ...
| عرض w (میلی متر) | 400 | 500 | 600 | 700 | 800 | |
| A (φ) | قطر | 50.0 | 50.0 | 50.0 | 50.0 | 50.0 |
| ضخامت | 3.0 | 3.0 | 3.0 | 3.0 | 3.0 | |
| B (φ) | قطر | 63.0 | 66.3 | 69.5 | 72.8 | 76.0 |
| ضخامت | 2.3 | 2.2 | 2.2 | 2.1 | 2.0 | |

عرض w (میلی متر) 300 400 500 600 700 ...
| عرض w (میلی متر) | 300 | 400 | 500 | 600 | 700 | 800 | |
| A (φ) | قطر | 42 | 42 | 42 | 42 | 42 | 42 |
| ضخامت | 2 | 2 | 2 | 2 | 2 | 2 | |
| B (φ) | قطر | 79 | 91 | 103 | 116 | 128 | 140 |
| ضخامت | 20.5 | 26.5 | 32.5 | 39.0 | 45.0 | 51.0 | |

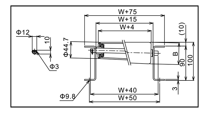
عرض w (میلی متر) 200 300 400 500 600 ...
| عرض w (میلی متر) | 200 | 300 | 400 | 500 | 600 | 700 | |
| A (φ) | قطر | 44.7 | 44.7 | 44.7 | 44.7 | 44.7 | 44.7 |
| ضخامت | 3.5 | 3.5 | 3.5 | 3.5 | 3.5 | 3.5 | |
| B (φ) | قطر | 54.6 | 59.6 | 64.5 | 69.5 | 74.4 | 75 |
| ضخامت | 2.4 | 2.3 | 2.3 | 2.2 | 2.2 | 2.2 | |

نوع علامت استحکام مقاومت در برابر گرما مقاومت در ب...
| نوع | علامت | استحکام | مقاومت در برابر گرما | مقاومت در برابر سرما | مقاومت نفتی | مقاومت در برابر پوشیدن | |||
| لاستیک طبیعی | شماره | حدود 60 | 120 درجه | -50 درجه | x | ای | |||
| لاستیک نیتریل دینگ | NBR | حدود 60 | 130 درجه سانتیگراد | -10 درجه سانتیگراد | ای | ای | |||
| لاستیک پلی اورتان | پید | حدود 90 | 80 درجه سانتیگراد | -30 درجه سانتیگراد | ای | ای | |||
| لاستیک طبیعی | لاستیک نیتریل دینگ | غلتک | قطر*ضخامت*قطر محور | عرض غلتکی | |||||
| RR-4812p | RRG-4812p | R-3812p | 48*5*12 | 100 ~ 1500 | |||||
| RR-4816 | RRG-4816 | R-3816 | 48*5*12 | 100 ~ 1500 | |||||
| RR-6721p | RRG-6721p | R-5721p | 67*5*12 | 100 ~ 1500 | |||||

انواع آبکاری مزایا ضخامت آبکاری گالوانیزه برقی ...
| انواع آبکاری | مزایا | ضخامت آبکاری |
| گالوانیزه برقی | روی سفید ، روی آبی و سفید ، کروم سه ظرفیتی | بیش از 5 میکرون |
| آبکاری کروم سخت | سختی زیاد | بیش از 3 میکرون |
چرا تعمیر و نگهداری نوار نقاله غلتکی به طور مستقیم بر طول عمر سیستم تأثیر می گذارد؟ نوار نقاله غلتکی ...
بیشتر بخوانیدچه چیزی یک نوار نقاله غلتکی را واقعاً سنگین می کند؟ نوار نقاله غلتکی سنگین نه با ادعاهای بازاریابی، بلکه با ا...
بیشتر بخوانیدنوار نقاله غلتکی چیست و چرا نوع آن اهمیت دارد؟ نوار نقاله های غلتکی سیستمهای جابهجایی مواد هستند ک...
بیشتر بخوانیدچرا نوار نقاله های غلتکی ستون فقرات حمل و نقل مواد باقی می مانند؟ نوار نقاله های غلتکی با کاهش کار د...
بیشتر بخوانیدآوردن کاردستی به آینده.
شماره 60 ، جاده Zhenhu North ، شهر هودای ، منطقه Binhu , Wuxi 214100 ، چین







