W-26ps (درون)
Cat:نوار نقاله رزین
نوع اندازه غلتکی D*w*d*b شفت اندازه قاب سخنر...
ساختار پیشرفته ، عملکرد با کیفیت بالا ، استفاده آسان ، قابلیت اطمینان و دوام بالا.

نوع اندازه غلتکی D*w*d*b شفت اندازه قاب سخنر...
| نوع | اندازه غلتکی D*w*d*b | شفت | اندازه قاب سخنرانی × W1 × W2 × W3 × T | قد H | لنگه سعادت | زمین پ | بارگذاری تک چرخ (کیلوگرم) | ماده غلتکی |
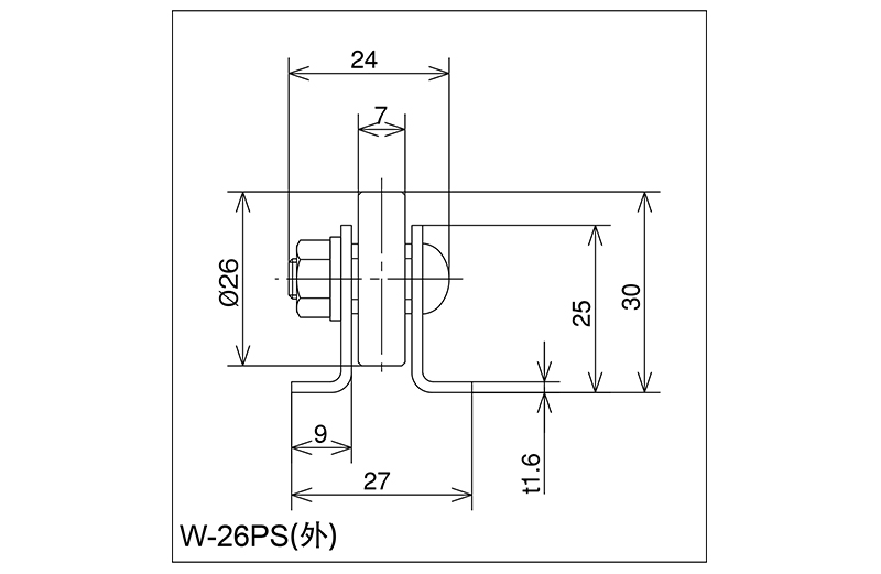
| W-26ps (درون) | 6 × 8 × 6 × 6 × 16 | M6 × 25L | 25 × 19.2 × 9 × 29 × 1.6 | 30 | 1000 · 1500 · 2000 | 30 · 35 | 30 | POM |

نوع اندازه غلتکی D*w*d*b شفت اندازه قاب سخنر...
| نوع | اندازه غلتکی D*w*d*b | شفت | اندازه قاب سخنرانی × W1 × W2 × W3 × T | قد H | لنگه سعادت | زمین پ | بارگذاری تک چرخ (کیلوگرم) | ماده غلتکی |
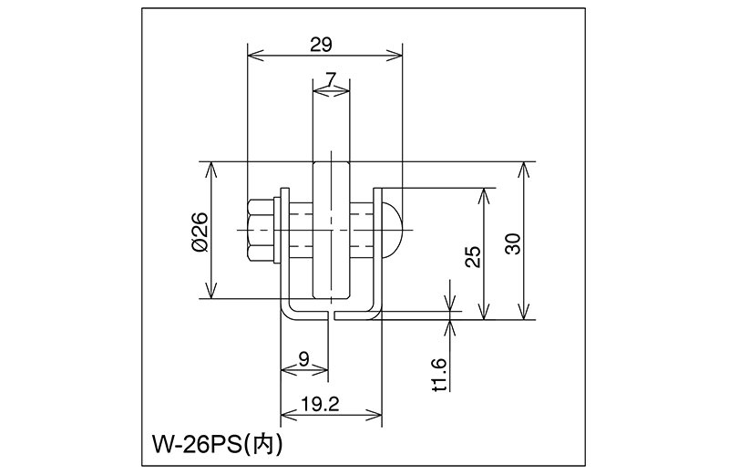
| W-26PS (خارج) | 10 × 8 × 6 × 10 | M6 × 20L | 25 × 28 × 9 × 24 × 1.6 | 30 | 1000 · 1500 · 2000 | 30 · 35 | 30 | POM |

نوع اندازه غلتکی D*w*d*b شفت اندازه قاب سخنر...
| نوع | اندازه غلتکی D*w*d*b | شفت | اندازه قاب سخنرانی × W1 × W2 × W3 × T | قد H | لنگه سعادت | زمین پ | بارگذاری تک چرخ (کیلوگرم) | ماده غلتکی |
| W-38GS | 27 × 12 × 12 38 | M6 × 38L | 45 × 32 × 10 × 42 × 2.3 | 52 | 1800 · 2400 · 3000 | 50 · 75 · 100 · 150 | 30 | POM |

نوع اندازه غلتکی D*w*d*b شفت اندازه قاب سخنر...
| نوع | اندازه غلتکی D*w*d*b | شفت | اندازه قاب سخنرانی × W1 × W2 × W3 × T | قد H | لنگه سعادت | زمین پ | بارگذاری تک چرخ (کیلوگرم) | ماده غلتکی |
| WB-36PS | 28 × 9 × 9 36 | M8 × 40L | 42 × 60 × 32 × 45 × 1.6 2.3 | 49.3 | 1800 · 2400 · 3000 | 50 · 75 · 100 | 10 | POM |

نوع اندازه غلتکی D*w*d*b شفت اندازه قاب سخنر...
| نوع | اندازه غلتکی D*w*d*b | شفت | اندازه قاب سخنرانی × W1 × W2 × W3 × T | قد H | لنگه سعادت | زمین پ | بارگذاری تک چرخ (کیلوگرم) | ماده غلتکی |
| SW-38GS | 27 × 12 × 12 38 | M6 × 38L | 45 × 31 × 8.5 × 42 × 1.8 | 53 | 1800 · 2400 · 3000 | 50 · 75 · 100 · 150 | 30 | POM |

نوع اندازه غلتکی D*w*d*b شفت اندازه قاب سخنر...
| نوع | اندازه غلتکی D*w*d*b | شفت | اندازه قاب سخنرانی × W1 × W2 × W3 × T | قد H | لنگه سعادت | زمین پ | بارگذاری تک چرخ (کیلوگرم) | ماده غلتکی |
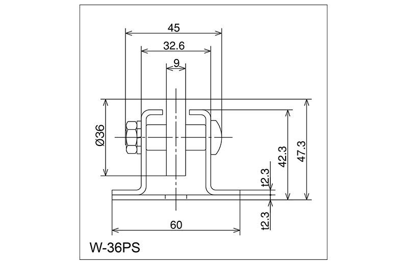
| W-36PS | 28 × 9 × 9 36 | M8 × 40L | 42.3 × 60 × 32.6 × 45 × 2.3 | 47.3 | 1800 · 2400 · 3000 | 50 · 75 · 100 · 150 | 10 | POM |

نوع اندازه غلتکی D*w*d*b شفت اندازه قاب سخنر...
| نوع | اندازه غلتکی D*w*d*b | شفت | اندازه قاب سخنرانی × W1 × W2 × W3 × T | قد H | لنگه سعادت | زمین پ | بارگذاری تک چرخ (کیلوگرم) | ماده غلتکی |
| W-36PW | 3 36 × 8 × 8 × 14 | M8 × 55L | 46.3 × 60 × 33 × 71 × 1.6 2.3 | 52.3 | 1800 · 2400 · 3000 | 50 · 75 · 100 · 150 | 10 | پوم |
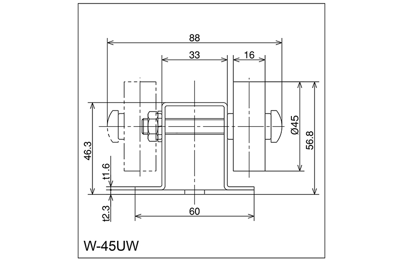
| W-45UW | 45 × 16 × 8 × 22 | M8 × 65L | 46.3 × 60 × 33 × 87 × 1.6 2.3 | 56.8 | 1800 · 2400 · 3000 | 50 · 75 · 100 · 150 | 25 | ABS |

نوع اندازه غلتکی D*w*d*b شفت اندازه قاب سخنر...
| نوع | اندازه غلتکی D*w*d*b | شفت | اندازه قاب سخنرانی × W1 × W2 × W3 × T | قد H | لنگه سعادت | زمین پ | بارگذاری تک چرخ (کیلوگرم) | ماده غلتکی |
| W-45UW | 45 × 16 × 8 × 22 | M8 × 65L | 46.3 × 60 × 33 × 87 × 1.6 2.3 | 56.8 | 1800 · 2400 · 3000 | 50 · 75 · 100 · 150 | 25 | ABS |
چرا تعمیر و نگهداری نوار نقاله غلتکی به طور مستقیم بر طول عمر سیستم تأثیر می گذارد؟ نوار نقاله غلتکی ...
بیشتر بخوانیدچه چیزی یک نوار نقاله غلتکی را واقعاً سنگین می کند؟ نوار نقاله غلتکی سنگین نه با ادعاهای بازاریابی، بلکه با ا...
بیشتر بخوانیدنوار نقاله غلتکی چیست و چرا نوع آن اهمیت دارد؟ نوار نقاله های غلتکی سیستمهای جابهجایی مواد هستند ک...
بیشتر بخوانیدچرا نوار نقاله های غلتکی ستون فقرات حمل و نقل مواد باقی می مانند؟ نوار نقاله های غلتکی با کاهش کار د...
بیشتر بخوانیدآوردن کاردستی به آینده.
شماره 60 ، جاده Zhenhu North ، شهر هودای ، منطقه Binhu , Wuxi 214100 ، چین







