قفسه موردی
Cat:قفسه موردی
قفسه موردی برای ذخیره بسیاری از انواع و تعداد کمی کالا مناسب است. قفسه موردی برای ذخیره کالاهای با اندازه پ...
قفسه های انبار ، که به عنوان قفسه های ذخیره سازی نیز شناخته می شوند ، ابزارهای اساسی برای انبارهای مدرن برای بهبود کارآیی با استفاده از تجهیزات ذخیره سازی برای وسایل بسته بندی شده هستند. قفسه ها به طور گسترده در سوپر مارکت ها ، انبارها و مراکز لجستیک استفاده می شوند. طرح ها و تنظیمات مختلف قفسه ها می توانند نیازهای ذخیره سازی مکان های مختلف ، افزایش استفاده از فضا و کارآیی عملیاتی را برآورده کنند .

قفسه موردی برای ذخیره بسیاری از انواع و تعداد کمی کالا مناسب است. قفسه موردی برای ذخیره کالاهای با اندازه پ...
قفسه موردی برای ذخیره بسیاری از انواع و تعداد کمی کالا مناسب است.
قفسه موردی برای ذخیره کالاهای با اندازه پین ، کالاهای جعبه یا کالاهای ویژه ای که کمتر از 500 کیلوگرم است ، مناسب است.
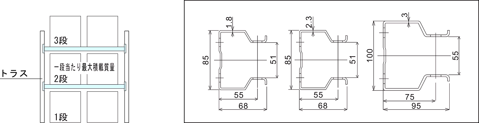
| نوع | اندازه خرپا | حداکثر بارگذاری | سخنرانی | حرف | عرض | عرض اصلی | عمق | |
| بارگیری 1 لایه (کیلوگرم) | حداکثر بارگیری (کیلوگرم) | |||||||
| سعادت | | 150 | 1000 | 1200 | 900 | 850 | 955 | 300 450 600 |
| 1200 | 1150 | 1255 | ||||||
| 1500 | 1450 | 1555 | ||||||
| 1800 | 1750 | 1855 | ||||||
| مگس | 300 | 1500 | 1500 | 900 | 850 | 955 | 450 600 750 900 | |
| 1200 | 1150 | 1255 | ||||||
| 1800 | 1500 | 1450 | 1555 | |||||
| 1800 | 1750 | 1855 | ||||||
| سخنرانی | 500 | 2500 | 2100 | 900 | 850 | 955 | ||
| 2400 | 1200 | 1150 | 1255 | |||||
| 1500 | 1450 | 1555 | ||||||
| 1800 | 1750 | 1855 | ||||||
برگه ظرفیت بارگیری
حداکثر بارگیری (کیلوگرم)
| نوع | خرپا l1*l2*t | حداکثر بارگیری (کیلوگرم) | ||||
| 4 لایه | 5.6 لایه | |||||
| بوها | 25*25*1.5 | 300 | 400 | |||
| شرح | 32*32*1.5 | 450 | 600 | |||
| جف | 38*38*1.8 | 600 | 800 | |||
حداکثر بارگیری (کیلوگرم)
| عمق/طول | 900 (میلی متر) | 1200 (میلی متر) | 1500 (میلی متر) | 1800 (میلی متر) | |||
| 300 (میلی متر) | 100 | جدید | جدید | جدید | |||
| 450 (میلی متر) | 150 | 150 | 100 | 60 | |||
| 600 (میلی متر) | 200 | 200 | 150 | 100 | |||

گزینه · سه نوع این قفسه سنگین وجود دارد: سعادت ، مگس ، سخنرانی ...
گزینه
| · سه نوع این قفسه سنگین وجود دارد: سعادت ، مگس ، سخنرانی
· ظرفیت بارگیری حداکثر به ارتفاع و لایه ها بستگی دارد ، لطفاً به برگه بارگیری مراجعه کنید.
· وضعیت عدم وجود ظرفیت بارگذاری زمین بتونی است و قفسه باید توسط پیچ قابل ارتقاء ثابت شود. | |
| نوع | قد (میلی متر) | عرض (میلی متر) | عمق (میلی متر) |
| سعادت نوع (وزن سبک) | 2000 2500 3000 3500 4000 4500 5000 5500 6000 7000 8000 | 2000 2300 2500 2700 3000 3200 | 600 800 900 1000 1100 1200 |
| نوع مگس (وزن کمرنگ) | |||
| سخنرانی Type (وزن سنگین) |
حداکثر بارگذاری خرپا
| حداکثر بارگذاری هر لایه (کیلوگرم) | |||||||||||
| لایه ها/خرپا/ارتفاع (میلی متر) | 2 لایه | 3 لایه | 4 لایه | 5 لایه | |||||||
| سعادت | مگس | سعادت | مگس | سخنرانی | L | M | H | L | M | H | |
| 2000 | 4440 | 5470 | 3140 | 3870 | 5190 | 2360 | 2900 | 3890 | 1880 | 2320 | 3110 |
| 2500 | 4020 | 4960 | 3130 | 3860 | 5190 | 2360 | 2900 | 3890 | 1880 | 2320 | 3110 |
| 3000 | 3670 | 4540 | 2920 | 3600 | 5120 | 2360 | 2900 | 3890 | 1880 | 2320 | 3110 |
| 3500 | 3380 | 4180 | 2730 | 3370 | 4830 | 2290 | 2820 | 3890 | 1880 | 2320 | 3110 |
| 4000 | 3130 | 3870 | 2560 | 3170 | 4560 | 2170 | 2680 | 3820 | 1880 | 2320 | 3110 |
| 4500 | 2920 | 3610 | 2420 | 2990 | 4330 | 2070 | 2550 | 3650 | 1800 | 2220 | 3110 |
| 5000 | 2730 | 3380 | 2290 | 2830 | 4120 | 1970 | 2430 | 3500 | 1730 | 2130 | 3040 |
| 5500 | 2570 | 3180 | 2170 | 2690 | 3920 | 1880 | 2330 | 3360 | 1660 | 2050 | 2940 |
| 6000 | 2420 | 3000 | 2070 | 2560 | 3750 | 1800 | 2230 | 3230 | 1600 | 1970 | 2840 |
| 7000 | 2180 | 2690 | 1880 | 2330 | 3440 | 1660 | 2060 | 3000 | 1490 | 1840 | 2660 |
| 8000 | 1960 | 2440 | 1730 | 2140 | 3180 | 1540 | 1910 | 2800 | 1390 | 1720 | 2500 |
استاندارد هیچ کشور زلزله ای: K = 0.03 (ضریب لرزش سطح)
حداکثر بارگیری پرتو
| حداکثر بارگذاری هر لایه (کیلوگرم) | |||||||
| عرض/ارتفاع پرتو | 2000 | 2300 | 2500 | 2700 | 3000 | 3200 | |
| 80 | 1777 | 1344 | 1137 | - | - | - | |
| 100 | 2560 | 2226 | 1917 | 1644 | 1331 | 1170 | |
| 110 | 2918 | 2538 | 2335 | 2055 | 1665 | 1463 | |
| 120 | 3277 | 2849 | 2621 | 2427 | 2042 | 1794 | |
| 140 | 4045 | 3517 | 3236 | 2996 | 2697 | 2528 | |
| 160 | - | 4998 | 4598 | 4257 | 3831 | 3592 | |
راهنمای مختلف را می توان با توجه به لیفتراک های مربوطه نصب کرد ، که می تواند عرض راهرو عبور را کاهش داده و از فضا استفاده کند .

[نوع راه آهن] راه آهن را می توان با زمین تصمیم گرفت شرایط...
| [نوع راه آهن] راه آهن را می توان با زمین تصمیم گرفت شرایط مختلف تنظیم می تواند باعث ایجاد شرایط مختلف کار شود | دو نوع راه آهن راه آهن ثابت استفاده شده از FPR SIGLE- جانبی |
| Manget Bar بدون راه آهن | |
ساختار
مشخصات اساسی
| تابلو جانبی | سرعت | موتور | قدرت | کنترل کننده | تجهیزات ایمن | |
| راه آهن | 12t (نوع 2 چرخ) 24t (نوع 4 چرخ) | حداکثر 10 متر در دقیقه | حداکثر 1.5 کیلو وات | تک فاز فاز سه نفری | کنترل شده توسط شبکه | راهرو قفل خودکار وارد چک شوید چراغ نشانگر نور محافظت بیش از حد |
| 16T (نوع 2 چرخ) 32T (نوع 4 چرخ) | ||||||
| غیر امیدن | 8t (نوع 2 چرخ) 16T (نوع 4 چرخ) |

قفسه راهرو متوسط و سنگین با فرکانس بالا را اتخاذ کنید. مناسب برای قفسه قا...
| قفسه راهرو متوسط و سنگین با فرکانس بالا را اتخاذ کنید. مناسب برای قفسه قابل حمل شیب توالی با فرکانس بالا.
| قفسه را می توان با اندازه جعبه و مقادیر کالا انتخاب کرد. |
| به طور گسترده در انبار لجستیک یا خط تولید استفاده می شود. | |
| چرخ چرخ برای اتصال یا تخلیه قفسه مناسب است. |
توانایی
|
ساخت و ساز آسان نصب آسان ، قاب و محوطه چرخ قابل تنظیم را می توان به مکان مناسب تنظیم کرد. مناسب برای ذخیره مقادیر بزرگ یا کمی از کالاها.
| |
|
محفل چرخدار غلتک هسته آهن: ф28 | |
|
LMProvement از کارآیی کار ذخیره آسان کالا ، مناسب برای کار
|

توابع قفسه گرانش FLFO بر اساس تمایل...
|
توابع قفسه گرانش FLFO بر اساس تمایل (4 ٪) مسیر اسلاید و وزن مرده کالا است. غلطک های مستقیم جاذبه به عنوان پشتیبانی از کشویی استفاده می شوند. توان LTS زیاد است. ذخیره و بازیابی می تواند به طور همزمان انجام شود ، بنابراین سرعت جریان کالا افزایش می یابد. اهداف LT برای ذخیره و بازیابی با حجم بزرگ ، انواع کالاهای کمتری مناسب است. از هر مسیر کشویی برای ذخیره و بازیابی به عنوان یک نوع کالا استفاده می شود. LT در صنایعی مانند مکانیکی ، شیمیایی ، الکترونیکی ، نوشیدنی و مواد غذایی و غیره کاربرد گسترده ای دارد.
| غلتک |
ویژگی
| جداکننده امنیت پالت |

مناسب برای ذخیره سازی درگذشت های پینت. مشخصات 1. بارگیری هر لایه: حداکثر 1000 کیلوگرم 2. Maxla...
مناسب برای ذخیره سازی درگذشت های پینت.
مشخصات
1. بارگیری هر لایه: حداکثر 1000 کیلوگرم
2. Maxlayers: 4lagers
3. بعد: 1300WX800L
4. ارتفاع همسایگی: 500 میلی متر
5. چارچوب قفل Skidproofdouble
6. تثبیت پیچ
7. گزینه ها: ①lron clapboard - لایه های پایین
مشخصه
مناسب برای ذخیره کالاهای سنگین ، مردن رزین ، مهر زدن فلز و غیره.
لایه پالت اسلاید را می توان افزایش و کشیده کرد.
برای کار قابل حمل آسان است .

قفسه راهرو ...
|
قفسه راهرو مناسب برای ذخیره چند تنوع یا مقدار زیادی از کالاها .
| |
|
چرا تعمیر و نگهداری نوار نقاله غلتکی به طور مستقیم بر طول عمر سیستم تأثیر می گذارد؟ نوار نقاله غلتکی ...
بیشتر بخوانیدچه چیزی یک نوار نقاله غلتکی را واقعاً سنگین می کند؟ نوار نقاله غلتکی سنگین نه با ادعاهای بازاریابی، بلکه با ا...
بیشتر بخوانیدنوار نقاله غلتکی چیست و چرا نوع آن اهمیت دارد؟ نوار نقاله های غلتکی سیستمهای جابهجایی مواد هستند ک...
بیشتر بخوانیدچرا نوار نقاله های غلتکی ستون فقرات حمل و نقل مواد باقی می مانند؟ نوار نقاله های غلتکی با کاهش کار د...
بیشتر بخوانیداهمیت قفسه های ذخیره سازی انبار در مراکز تدارکات: نگاهی به پیشنهادات Wuxi Huiqian
در مراکز تدارکات مدرن ، استفاده کارآمد از فضا و سازمان برای به حداکثر رساندن بهره وری عملیاتی مهم است. قفسه های انبار ، همچنین به عنوان قفسه های ذخیره سازی شناخته می شود ، مؤلفه های مهمی هستند که به دستیابی به این هدف کمک می کنند. قفسه ها با تهیه ذخیره سازی ساختار یافته برای وسایل بسته بندی شده ، دسترسی آسان ، بهینه سازی فضای کف و گردش کار ساده را فعال می کنند. در محیط های شلوغ مانند انبارها ، سوپر مارکت ها و مراکز تدارکات ، انتخاب سیستم RACK مناسب می تواند ظرفیت ذخیره سازی و بهره وری عملیاتی را به میزان قابل توجهی بهبود بخشد.
در شرکت تولید ماشین آلات تدارکات Wuxi Huiqian ، Ltd ، ما در تهیه قفسه های ذخیره سازی با کیفیت بالا ، نوار نقاله های غلتکی ، مینی نوار نقاله و سایر تجهیزات تدارکاتی که برای تقویت راندمان انبار طراحی شده اند ، تخصص داریم. محصولات ما با دقت ساخته شده و از فناوری پیشرفته استفاده می کنند و از قابلیت اطمینان و عملکرد در طیف گسترده ای از برنامه ها اطمینان می دهند.
قفسه های قفسه ای انبار در تنظیمات و طرح های مختلف ، هر یک متناسب با نیازهای خاص. این که آیا شما به یک واحد قفسه بندی اساسی یا یک سیستم پیچیده نیاز دارید که از ذخیره سازی سنگین پشتیبانی می کند ، پیشنهادات ما را به نیازهای متنوع ارائه می دهد. با تمرکز بر بهینه سازی فضا ، قفسه های ما به مراکز تدارکات کمک می کنند تا بیشترین استفاده را از منطقه موجود خود داشته باشند و مدیریت بهتر موجودی و عملیات نرم تر را امکان پذیر می کنند.
تخصص ما در Wuxi Huiqian نه تنها در ساخت تجهیزات لجستیکی درجه یک بلکه در ارائه راه حل های سفارشی برای هر مشتری نهفته است. ما می دانیم که هیچ دو مرکز تدارکات یکسان نیستند ، و ما طرح های انعطاف پذیر ارائه می دهیم که چالش های ذخیره سازی منحصر به فرد را برآورده می کند. از قاب های محکم گرفته تا سیستم های قفسه بندی قابل تنظیم ، محصولات ما اطمینان می دهند که نیازهای ذخیره سازی شما به طور کارآمد و مقرون به صرفه برآورده می شود.
موقعیت شرکت ما در منطقه توسعه فناوری Hi-Tech National Wuxi دسترسی راحت به حمل و نقل و امکانات اطراف آن را فراهم می کند و امکان تحویل سریع و قابل اعتماد محصولات ما را فراهم می کند. با داشتن یک تیم اختصاصی و تجهیزات پردازش پیشرفته ، ما به یک سیستم مدیریت کیفیت دقیق (QMS) پایبند هستیم تا اطمینان حاصل کنیم که هر محصول بالاترین استانداردهای دوام و عملکرد را رعایت می کند.
با پیشرفت صنعت تدارکات ، تقاضا برای راه حل های ذخیره سازی کارآمدتر و همه کاره افزایش می یابد. در Wuxi Huiqian ، ما همچنان متعهد به توسعه سیستم های رک و تجهیزات لجستیکی نوآورانه هستیم که از نیازهای پویا انبارهای مدرن و مراکز لجستیک پشتیبانی می کند. تمرکز ما بر کیفیت ، صداقت و رضایت مشتری تضمین می کند که ما یک شریک قابل اعتماد برای مشاغل هستیم که به دنبال بهبود قابلیت های ذخیره سازی آنها هستند.
با انتخاب محصولات Wuxi Huiqian ، شما فقط در قفسه های انبار سرمایه گذاری نمی کنید. شما در حال افزایش کارآیی و اثربخشی عملیات لجستیک خود هستید. ما از همه مشاغل دعوت می کنیم تا راه حل های خود را کشف کنند و ببینیم که چگونه می توانیم به بهینه سازی سیستم های ذخیره سازی آنها کمک کنیم. بازخورد و بینش شما همیشه استقبال می شود زیرا ما همچنان در تلاش برای تعالی در هر محصولی که ارائه می دهیم تلاش می کنیم.
تدارکات ساده: چگونه انبار بهره وری عملیاتی را افزایش دهید
راه حل های ذخیره سازی کارآمد در قلب تدارکات مدرن قرار دارند و قفسه های انبار برای عملیات ساده سازی بسیار مهم هستند. این قفسه ها با تهیه فضای ذخیره سازی سازمان یافته و با دسترسی آسان ، به بهینه سازی فضا ، کاهش تأخیرهای عملیاتی و افزایش بهره وری کلی کمک می کنند. یک سیستم رک به خوبی طراحی شده می تواند گردش کار انبار را به طرز چشمگیری بهبود بخشد و منجر به تحقق سریعتر سفارش و کنترل بهتر موجودی شود.
شرکت ساخت ماشین آلات تدارکات Wuxi Huiqian ، با مسئولیت محدود در قفسه های انبار با کیفیت بالا و تجهیزات تدارکاتی متناسب با نیازهای متنوع صنایع سریع حرکت امروز است. قفسه های ما برای به حداکثر رساندن ظرفیت ذخیره سازی و بهبود دسترسی طراحی شده اند ، که به شرکت ها کمک می کند تا تنگناهای عملیاتی را کاهش داده و خرابی را به حداقل برسانند. با تمرکز بر بهره وری ، ما راه حل هایی ارائه می دهیم که به مشاغل کمک می کند تا کالاهای خود را به طور مؤثر مدیریت کنند.
یکی از مزایای اصلی قفسه های ذخیره سازی انبار توانایی آنها در بهینه سازی فضا است. با استفاده از ذخیره سازی عمودی ، قفسه ها چگالی ذخیره سازی را افزایش می دهند و به شرکت ها کمک می کنند تا از فضای انبار موجود خود بیشترین استفاده را کنند. این امر نیاز به گسترش یا مناطق ذخیره سازی اضافی را کاهش می دهد و در نتیجه هزینه های عملیاتی کمتری و سودآوری بهبود یافته است.
علاوه بر قفسه ها ، Wuxi Huiqian طیف کاملی از تجهیزات لجستیکی ، از جمله نوار نقاله های غلتکی ، مینی نقاله ها و سیستم های قفسه بندی را ارائه می دهد که همه برای کار یکپارچه در کنار هم طراحی شده اند. این که آیا شما برای موجودی خاص یا راه حل های تخصصی تر برای موجودی خاص به ذخیره سنگین نیاز دارید ، محصولات ما برای متناسب با هر طرح قابل تنظیم و قابل تنظیم هستند.
ما در منطقه توسعه فناوری Hi-Tech National Wuxi واقع شده ایم ، ما به طور ایده آل برای خدمت به مشتریان خود با تحویل سریع و خدمات استثنایی هستیم. تیم ما ، مجهز به فناوری پیشرفته و یک سیستم مدیریت کیفیت قوی ، تضمین می کند که هر محصولی که ما تولید می کنیم با بالاترین استانداردها برای دوام و عملکرد مطابقت دارد.
از آنجا که تقاضای تدارکات همچنان در حال رشد است ، نمی توان اهمیت سیستم های ذخیره سازی کارآمد را بیش از حد بیش از حد کرد. در Wuxi Huiqian ، ما متعهد به پیشبرد طرح های قفسه انبار خود هستیم تا به شرکت ها در بهبود بهره وری عملیاتی کمک کنیم. با انتخاب محصولات ما ، مشاغل می توانند قابلیت های ذخیره سازی خود را بهینه کرده و راندمان بیشتری را در سراسر عملیات خود هدایت کنند.
سرمایه گذاری در Wuxi Huiqian قفسه های قفسه ای انبار چیزی بیش از یک راه حل ذخیره سازی است. این یک سرمایه گذاری در بهره وری بلند مدت و موفقیت کسب و کار شماست. به ما کمک کنید تا عملیات تدارکات خود را ساده تر کرده و تجارت خود را به سطح بعدی برسانید .
آوردن کاردستی به آینده.
شماره 60 ، جاده Zhenhu North ، شهر هودای ، منطقه Binhu , Wuxi 214100 ، چین







