HJR-2015b
Cat:نوار نقاله غلتکی رزین
عرض غلتک W (میلی متر) 100 200 300 400 ...
ساختار پیشرفته ، عملکرد با کیفیت بالا ، استفاده آسان ، قابلیت اطمینان و دوام بالا.
نقاله های غلتکی رزین به طور معمول دارای غلطک های PVC با بلبرینگ و محور رزین یکپارچه هستند. گزینه های فریم شامل فولاد با روکش پودر ، استیل ضد زنگ یا آلومینیوم است. این نوع نوار نقاله برای کالاهای پر نور مناسب است و همچنین در صنایع مواد غذایی ، دارویی و شیمیایی کاربرد دارد .

عرض غلتک W (میلی متر) 100 200 300 400 ...
| عرض غلتک W (میلی متر) | 100 | 200 | 300 | 400 | 500 | |
| عرض نقاله W 45 (میلی متر) | 145 | 245 | 345 | 445 | 545 | |
| بارگیری غلتک (کیلوگرم) | 11.5 | 10.7 | 10 | 9.2 | 7.0 | |
| وزن 2000l نوار نقاله (کیلوگرم) | 25 پوند | 4.3 | 6.4 | 8.5 | 10.7 | 12.8 |
| 30p | 3.8 | 5.7 | 7.5 | 9.4 | 11.3 | |
| وزن غلتک (G) | 33 | 55 | 78 | 100 | 12.2 | |

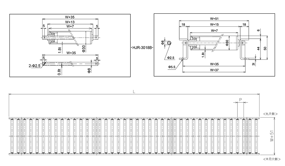
عرض غلتک W (میلی متر) 100 200 300 400 ...
| عرض غلتک W (میلی متر) | 100 | 200 | 300 | 400 | |
| عرض نقاله W 45 (میلی متر) | 145 | 245 | 345 | 445 | |
| بارگیری غلتک (کیلوگرم) | 13.5 | 12.6 | 12.5 | 11.8 | |
| وزن 2000l نوار نقاله (کیلوگرم) | 30p | 6.5 | 8.5 | 11 | 19 |
| 40 پوند | 5 | 7.5 | 10 | 12.3 | |
| وزن غلتک (G) | 50.5 | 75 | 115 | 145 | |

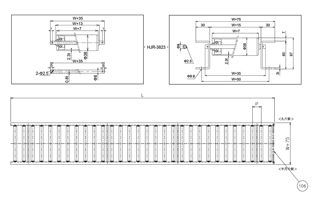
عرض غلتک W (میلی متر) 100 200 300 400 ...
| عرض غلتک W (میلی متر) | 100 | 200 | 300 | 400 | 500 | |
| عرض نوار نقاله W 51 (میلی متر) | 151 | 251 | 351 | 451 | 551 | |
| بارگیری غلتک (کیلوگرم) | 16.5 | 15.7 | 15 | 14.2 | 13.5 | |
| وزن 1500 لیتر نقاله (کیلوگرم) | 40 پوند | 7.2 | 10.8 | 14.5 | 18 | 21.7 |
| 50p | 6.2 | 9.2 | 12.2 | 15.1 | 18.2 | |
| وزن غلتک (G) | 64 | 106 | 149 | 191 | 235 | |

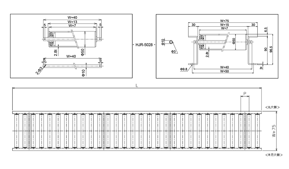
عرض غلتک W (میلی متر) 100 200 300 400 ...
| عرض غلتک W (میلی متر) | 100 | 200 | 300 | 400 | 500 | |
| عرض نوار نقاله W 75 (میلی متر) | 175 | 275 | 375 | 475 | 575 | |
| بارگیری غلتک (کیلوگرم) | 21.5 | 20.8 | 20.1 | 19.5 | 18.6 | |
| وزن 3000L نوار نقاله (کیلوگرم) | 50p | 11.5 | 15.2 | 18.8 | 22.5 | 26.2 |
| 75p | 9.7 | 12.3 | 14.8 | 17.5 | 20.0 | |
| وزن غلتک (G) | 91 | 145 | 199 | 253 | 307 | |

عرض غلتک W (میلی متر) 100 200 300 400 ...
| عرض غلتک W (میلی متر) | 100 | 200 | 300 | 400 | 500 | 600 | |
| عرض نوار نقاله W 75 (میلی متر) | 175 | 275 | 375 | 475 | 575 | 675 | |
| بارگیری غلتک (کیلوگرم) | 32 | 31 | 30 | 29.5 | 28.5 | 27.7 | |
| وزن 3000L نوار نقاله (کیلوگرم) | 75p | 13.5 | 17.7 | 22.0 | 26.1 | 30.5 | 34.1 |
| 100p | 12.1 | 15.3 | 18.6 | 21.9 | 25.2 | 27.8 | |
| وزن غلتک (G) | 148 | 243 | 339 | 435 | 530 | 626 | |

عرض غلتک W (میلی متر) 100 200 300 400 ...
| عرض غلتک W (میلی متر) | 100 | 200 | 300 | 400 | 500 | 600 | |
| عرض نوار نقاله W 75 (میلی متر) | 175 | 275 | 375 | 475 | 575 | 675 | |
| بارگیری غلتک (کیلوگرم) | 35 | 34 | 33 | 30 | 29 | 28.5 | |
| وزن 3000L نوار نقاله (کیلوگرم) | 75p | 14.4 | 19.3 | 24.2 | 29.0 | 34.0 | 38.2 |
| 100p | 12.7 | 16.5 | 20.3 | 23.9 | 27.8 | 30.9 | |
| وزن غلتک (G) | 172 | 283 | 395 | 506 | 617 | 728 | |
چرا تعمیر و نگهداری نوار نقاله غلتکی به طور مستقیم بر طول عمر سیستم تأثیر می گذارد؟ نوار نقاله غلتکی ...
بیشتر بخوانیدچه چیزی یک نوار نقاله غلتکی را واقعاً سنگین می کند؟ نوار نقاله غلتکی سنگین نه با ادعاهای بازاریابی، بلکه با ا...
بیشتر بخوانیدنوار نقاله غلتکی چیست و چرا نوع آن اهمیت دارد؟ نوار نقاله های غلتکی سیستمهای جابهجایی مواد هستند ک...
بیشتر بخوانیدچرا نوار نقاله های غلتکی ستون فقرات حمل و نقل مواد باقی می مانند؟ نوار نقاله های غلتکی با کاهش کار د...
بیشتر بخوانیدآوردن کاردستی به آینده.
شماره 60 ، جاده Zhenhu North ، شهر هودای ، منطقه Binhu , Wuxi 214100 ، چین







