W-2025SUS
Cat:نقاله چرخ
نوع D*w*d*b شفت اندازه قاب سخنرانی*w1*w2*w3*t ...
ساختار پیشرفته ، عملکرد با کیفیت بالا ، استفاده آسان ، قابلیت اطمینان و دوام بالا.
نوار نقاله فلزی فلزی یک مونتاژ چرخ فلزی فلزی از نوار مسلط است ، چرخ ها به طور کلی از تمبر و برش دو روش پردازش ساخته می شوند ، این مواد از جنس استیل ، فولاد ضد زنگ ، آبکاری کروم و گزینه های دیگر هستند. مواد فریم به طور کلی به: گالوانیزه فولادی ، اسپری فولادی ، آلومینیوم ، فولاد ضد زنگ تقسیم می شوند .

نوع D*w*d*b شفت اندازه قاب سخنرانی*w1*w2*w3*t ...
| نوع | D*w*d*b | شفت | اندازه قاب سخنرانی*w1*w2*w3*t | قد H | طول سعادت | زمین پ | بارگذاری تک چرخ (کیلوگرم) | نوع قاب |
| W-2025SUS | 20x25x6.1x27 | M6x35L | 25x30x9x39x1.5 | 27 | 1000 · 1500 · 2000 | 25 · 30 · 35 | 40 | A |

نوع D*w*d*b شفت اندازه قاب سخنرانی*w1*w2*w3*t ...
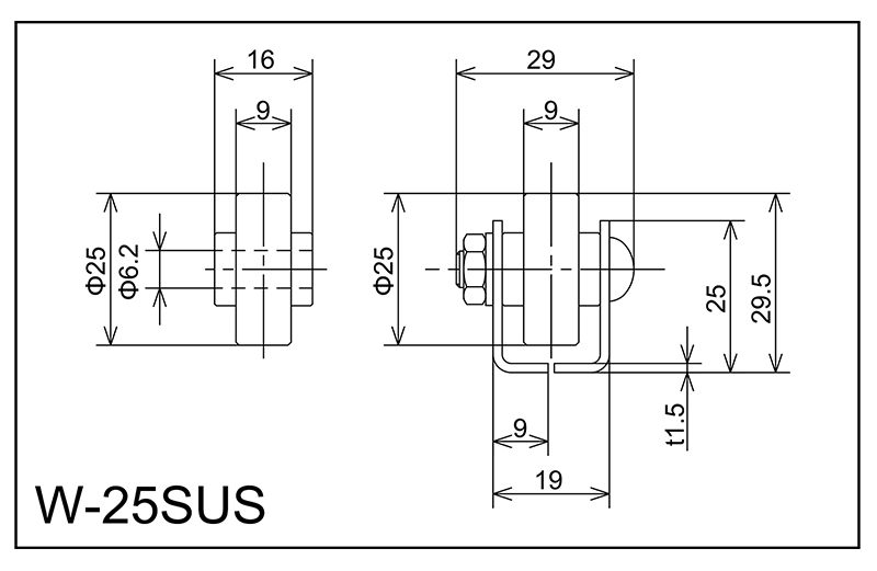
| نوع | D*w*d*b | شفت | اندازه قاب سخنرانی*w1*w2*w3*t | قد H | طول سعادت | زمین پ | بارگذاری تک چرخ (کیلوگرم) | نوع قاب |
| W-25SUS | 25x9x6.2x16 | M6x25L | 25x19x9x29x1.5 | 29.5 | 1000 · 1500 · 2000 | 30 · 35 | 30 | A |

نوع D*w*d*b شفت اندازه قاب سخنرانی*w1*w2*w3*t ...
| نوع | D*w*d*b | شفت | اندازه قاب سخنرانی*w1*w2*w3*t | قد H | طول سعادت | زمین پ | بارگذاری تک چرخ (کیلوگرم) | نوع قاب |
| W-2523SUS | 25x23x8.2x25 | M8x35L | 25x28x9x40x1.5 | 29.5 | 1000 · 1500 · 2000 | 30 · 35 | 50 | A |

نوع D*w*d*b شفت اندازه قاب سخنرانی*w1*w2*w3*t ...
| نوع | D*w*d*b | شفت | اندازه قاب سخنرانی*w1*w2*w3*t | قد H | طول سعادت | زمین پ | بارگذاری تک چرخ (کیلوگرم) | نوع قاب |
| HG-W36SUS | 36x9x6.2x25 | M6x38L | 45x29x10x42x2.0 | 51 | 1800 · 2400 · 3000 | 50 · 75 · 100 · 150 | 40 | A |

نوع D*w*d*b شفت اندازه قاب سخنرانی*w1*w2*w3*t ...
| نوع | D*w*d*b | شفت | اندازه قاب سخنرانی*w1*w2*w3*t | قد H | طول سعادت | زمین پ | بارگذاری تک چرخ (کیلوگرم) | نوع قاب |
| W-36CS-SUS | 36x9x8.2x28 | M8x40L | 42x60x32x45x2.0 | 47 | 1800 · 2400 · 3000 | 50.75 · 100 · 150 | 40 | J |

نوع D*w*d*b شفت اندازه قاب سخنرانی*w1*w2*w3*t ...
| نوع | D*w*d*b | شفت | اندازه قاب سخنرانی*w1*w2*w3*t | قد H | طول سعادت | زمین پ | بارگذاری تک چرخ (کیلوگرم) | نوع قاب |
| W-36BW-SUS | 36x9x8.2x14 | M8x55L | 46x60x33 × 71 1.5 2.0 | 52 | 1800 · 2400 · 3000 | 50 · 75 · 100 · 150 | 40 | K |

نوع D*w*d*b شفت اندازه قاب سخنرانی*w1*w2*w3*t ...
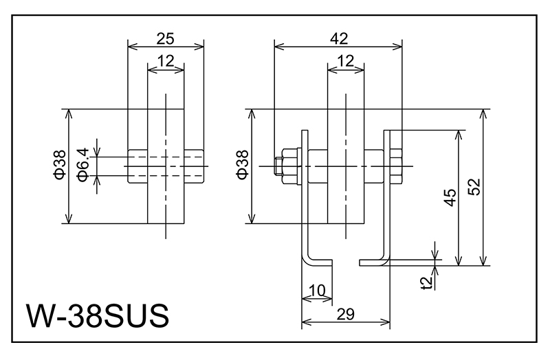
| نوع | D*w*d*b | شفت | اندازه قاب سخنرانی*w1*w2*w3*t | قد H | طول سعادت | زمین پ | بارگذاری تک چرخ (کیلوگرم) | نوع قاب |
| W-38SUS | 38x12x6.4x25 | M6x38L | 45x29x10x42x2.0 | 52 | 1800 · 2400 · 3000 | 50 · 75 · 100 · 150 | 20 | A |

نوع D*w*d*b شفت اندازه قاب سخنرانی*w1*w2*w3*t ...
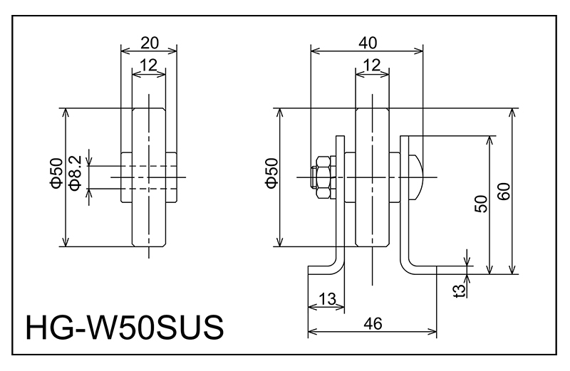
| نوع | D*w*d*b | شفت | اندازه قاب سخنرانی*w1*w2*w3*t | قد H | طول سعادت | زمین پ | بارگذاری تک چرخ (کیلوگرم) | نوع قاب |
| HG-W50SUS | 50x12x8.2x20 | M8x35L | 50x46x13x40x3.0 | 60 | 1800 · 2400 · 3000 | 75 · 100 · 150 · 200 | 80 | C |

نوع D*w*d*b بارگیری (کیلوگرم) W-38T 38x12x6....
| نوع | D*w*d*b | بارگیری (کیلوگرم) |
| W-38T | 38x12x6.5x25 | 20 |
| W-40SL | 40x20x6.5x26 | 20 |
| W-50T | 49.2x15.5x8x25 | 40 |
| W-3850D | 38.1x50x12.2x63 | 130 |
| W-4850D | 48.6x50x12.2x63 | 200 |
| W-5750p | 57x50x12.2x55 | 60 |
| W-5750D | 57.2x50x12.2x63 | 200 |
| W-6050D | 60.5x50x12.2x6 | 200 |

نوع D*w*d*b بارگیری (کیلوگرم) W-1225BS 12x25...
| نوع | D*w*d*b | بارگیری (کیلوگرم) |
| W-1225BS | 12x25x4.1x27 | 35 |
| W-2015bs | 20x15x6.1x17 | 30 |
| W-2025BS | 20x25x6.2x27 | 40 |
| W-2050bs | 20x50x6.2x52 | 50 |
| W-20100bs | 20x100x6.2x102 | 50 |
| W-25bs-13 | 25x9x6.2x13 | 30 |
| W-25BS | 25x9x6.2x16 | 30 |
| W-2523bs | 25x23x8.2x25 | 50 |
| W-30bs | 30x50x10.5x55 | 160 |
| W-32BS | 32x25x8.2x28 | 90 |
| W-36BW-6 | 36x9x6.2x14 | 40 |
| W-36BS | 36x9x6.2x25 | 40 |
| W-36BW | 36x9x8.2x14 | 40 |
| W-36CS | 36x9x8.2x28 | 40 |
| W-50bs | 50x14.5x8.2x20 | 80 |
| W-50DS-8 | 50x14.5x8.2x32 | 100 |
| W-50DS-10 | 50x14.5x10.2x20 | 100 |
| W-50DS-12 | 50x14.5x12.2x20 | 100 |
| HW-76DS | 76.3x30x30x44 | 1000 |

نوع D*w*d*b بارگیری (کیلوگرم) W-2015 20x15x6...
| نوع | D*w*d*b | بارگیری (کیلوگرم) |
| W-2015 | 20x15x6.1x17 | 30 |
| W-2025SUS | 20x25x6.1x27 | 40 |
| W-25SUS | 25x9x6.2x16 | 30 |
| W-2523SUS | 25x23x8.2x25 | 50 |
| W-36BW-SUS | 36x9x8.2x14 | 40 |
| W-36CS-SUS | 36x9x8.2x28 | 40 |
| HG-W36SUS | 36x9x6.2x25 | 40 |
| HG-W50SUS | 50x12x8.2x20 | 80 |

نوع D*w*d*b بارگیری (کیلوگرم) W-2015cr 20x15...
| نوع | D*w*d*b | بارگیری (کیلوگرم) |
| W-2015cr | 20x15x6.2x17 | 30 |
| W-2025CR | 20x25x6.2x27 | 40 |
| W-25CR | 25x9x6.2x16 | 30 |
| W-2523CR | 25x23x8.2x25 | 50 |
| W-32CR | 32x25x8.2x28 | 90 |
| W-36BW-CR | 36x9x8.2x14 | 40 |
| W-36CS-CR | 36x9x8.2x28 | 40 |
| W-36BS-CR | 36x9x6.2x25 | 40 |
| W-36BS-3R | 36x9x6.2x25 | 40 |
| W-3850D-CR | 38.1x50x12.2x63 | 130 |
| W-50DS-CR | 50x14.5x12.2x20 | 100 |
| W-50B-CR | 50x14.5x8.2x20 | 80 |
چرا تعمیر و نگهداری نوار نقاله غلتکی به طور مستقیم بر طول عمر سیستم تأثیر می گذارد؟ نوار نقاله غلتکی ...
بیشتر بخوانیدچه چیزی یک نوار نقاله غلتکی را واقعاً سنگین می کند؟ نوار نقاله غلتکی سنگین نه با ادعاهای بازاریابی، بلکه با ا...
بیشتر بخوانیدنوار نقاله غلتکی چیست و چرا نوع آن اهمیت دارد؟ نوار نقاله های غلتکی سیستمهای جابهجایی مواد هستند ک...
بیشتر بخوانیدچرا نوار نقاله های غلتکی ستون فقرات حمل و نقل مواد باقی می مانند؟ نوار نقاله های غلتکی با کاهش کار د...
بیشتر بخوانیدآوردن کاردستی به آینده.
شماره 60 ، جاده Zhenhu North ، شهر هودای ، منطقه Binhu , Wuxi 214100 ، چین